您好 ,  欢迎来到59598晟江工业品 登录后可利用更多便捷功能 会员中心  | 新会员注册 [退出]
  • 已选总价:¥0.00
  • 已选数量:0
所有费用均已包含增值税,不含运费。运费详情请参阅运费指导书。
产品详情与编号
序号 产品编号 名称 Packaging unit Thread - M Clamping range - D 售价 订购数量
  全部
全部
全部
全部
全部
   
1.0 20895 Heavy-d. pipe ring MP-MI 212 EL Packaging unit 10 pc Thread - M 3/4 in Clamping range - D 210 - 219 mm ¥149.40
注:本公司对上述参数保有最终解释权,如若变动,恕不通知。
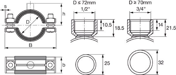
MP-MI NEW MP-MI NEW Clamping range - D: 210-219 mm Thread - M: 3/4 in Distance centre pipe to top - h: 136 mm Features & Applications Features M8 clamping screws, secured against loss, with comination cross-recess head Welded-on heavy-duty nuts for clamping screw sizes 68 / 72 and above Pre-assembled non-slip rubber profile Clamping band with swaged bead for increased rigidity Applications Heavy-duty pipe installations in diameters up to 250 mm For approval or certificate information, please see individual items.

Technical Data

28513_DL_EL_APC_fv600
Clamping range - D
210 - 219 mm
Thread - M
3/4 in
Distance centre pipe to top - h
136 mm
Maximum load - F
4500 N
Material composition
S235JRG - DIN EN 10025
Temperature resistance
-40 - 110 °C
Surface finish
Galvanized
Insulation material
EPDM rubber
Hardness insulation material
50° ±5° Shore A
Clamping screw
M8
Tightening torque
3 Nm
Cross section thickness - s
3 mm
Cross section width - b
30 mm
Width - B
283 mm
Noise reduction
19 dB (A)
Approvals
Fire class B2
Copyright ©2012 SME Corporation All Rights Reserved
ICP备案证书号:沪ICP备10013497号-1··上海工商
ɽҵƷ|ٽͷ|ҵ|ܳ|DZ